| 构架材质: | 铝合金 | |||||||||||||||||
| 扇叶材质: | 工业塑胶PBT PC 尼龙或金属材质 | |||||||||||||||||
| 轴承种类: | 钢珠轴承或含油轴承 | |||||||||||||||||
| 马达种类: | 蔽极式马达或电容启动式马达 | |||||||||||||||||
| 接线方式: | 出线式或端子式 | |||||||||||||||||
| 保护方式: | 阻抗保护或温度保护 | |||||||||||||||||
| 绝缘电阻: | 高于100MΩ,DC 500V. | |||||||||||||||||
| 绝缘耐压: | AC 1500V / 1MIN. | |||||||||||||||||
| 工作温度: | -40℃~+70℃ | |||||||||||||||||
| 存储温度: | -40℃~+80℃ | |||||||||||||||||
| 寿命: | 钢珠轴承:40,000小时以上(40°C以下) | |||||||||||||||||
| 含油轴承:15,000小时以上(40°C以下) | ||||||||||||||||||
| 安规认证: | CUL, CE, TUV, either UL or ETL | |||||||||||||||||
| 型号介绍. | UF | 12 | A | (R) | 11 | B | T | H | N | |||||||||
| 福佑品牌 | Size尺寸 | Thichness厚度 | Special Design特殊设计 | Voltage电压 | Bearing轴承 | Electrical Connection接电方式 | Speed转速 | Feature特殊功能 | ||||||||||
| UF | FULLTECH | 12 | 120×120 | A | 38 | C | Capacitor Start-run | 10 | 100V | B | Ball | T | Terminal Type | H | High | N | Motor Sealed | |
| 13 | 127×127 | B | 25 | 电容式 | 11 | 115V | 滚珠 | 插片式 | 高速 | 电机密封 | ||||||||
| 92 | 92×92 | D | 30 | R | Reverse Air | 20 | 200V | S | Sleeve | W | Lead Wire | M | Medium | D | Stator Painted | |||
| 80 | 80×80 | G | 89 | 反转 | 23 | 230V | 含油 | 引线式 | 中速 | 定子烤漆 | ||||||||
| 15 | 150×172 | K | 55 | M | Metal Impeller | 38 | 380V | L | Low | S | Tachometer Sensor Fan | |||||||
| 17 | 172×172 | P | 51 | 金属扇叶 | 低速 | 传感信号 | ||||||||||||
| 25 | 254×254 | F | 62 | CR | Capacitor Induction Motor+Reverse Air | F | Class F | |||||||||||
| 60 | 60×60 | J | 90 | 绝缘等级 | ||||||||||||||
| 16 | 160×160 | H | 107 | 电容式+反转 | ||||||||||||||
| 18 | 180×180 | MR | Metal Impeller+Reverse Air | |||||||||||||||
| 20 | 205×205 | 金属扇叶+反转 | ||||||||||||||||
| 22 | ø223 | E | Without Frame | |||||||||||||||
| 无框 | ||||||||||||||||||
| A | 3Phases 3相 | |||||||||||||||||
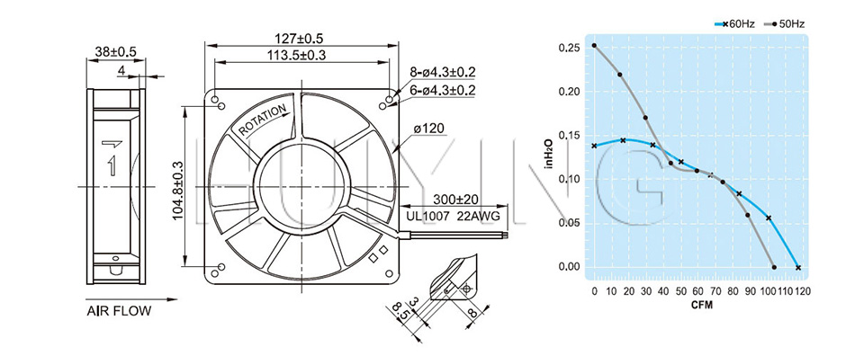
| Model | UF13A10-H | UF13A11-H | UF13A20-H | UF13A23-H | 
| Rated Voltage | 110 V | 115 V | 200 V | 230 V | 
| Frequency | 50/60 Hz | 50/60 Hz | 50/60 Hz | 50/60 Hz | 
| Input Power | 15/13 W | 14/12 W | 15/13 W | 17/15 W | 
| Rated Current | 0.24/0.2 A | 0.2/0.16 A | 0.12/0.1 A | 0.1/0.09 A | 
| Locked Current | 0.33/0.27 A | 0.26/0.23 A | 0.17/0.14 A | 0.13/0.11 A | 
| Speed | 2700/3000 RPM | 2700/3000 RPM | 2700/3000 RPM | 2700/3000 RPM | 
| Maximum Air Flow | 2.9/3.4 m3/min. | 2.9/3.4 m3/min. | 2.9/3.4 m3/min. | 2.9/3.4 m3/min. | 
| Maximum Air Flow | 103/120 CFM | 103/120 CFM | 103/120 CFM | 103/120 CFM | 
| Maximum Pressure | 7.3/2.8 mmH2O | 7.3/2.8 mmH2O | 7.3/2.8 mmH2O | 7.3/2.8 mmH2O | 
| Maximum Pressure | 0.29/0.11 InchH2O | 0.29/0.11 InchH2O | 0.29/0.11 InchH2O | 0.29/0.11 InchH2O | 
| Noise | 46/50 dB | 46/50 dB | 46/50 dB | 46/50 dB | 
| Weights | 0.55 kg | 0.55 kg | 0.55 kg | 0.55 kg | 
| 
					  
					 | ||||